Serie 30200 Cuscinetto a rulli affusolato
Serie 30200 Cuscinetto a rulli affusolato
Serie 30200 Cuscinetto a rulli affusolato

Serie 30200

Il cuscinetto a rulli affusolato della serie 30200 è un cuscinetto ad alte prestazioni ampiamente utilizzato nelle industrie macchinarie e automobilistiche. Questa serie di cuscinetti ha anelli interni ed esterni affusolati e design a rulli, che possono resistere ai carichi radiali e assiali e adattarsi alle funzionalità ad alta velocità e alle condizioni di carico intenso. La dimensione della serie 30200 è generalmente da 10 mm a 100 mm di diametro interno e da 30 mm a 150 mm di diametro esterno. È adatto a varie apparecchiature meccaniche, come motori elettrici, cambi e attrezzature industriali. Il design affusolato dei suoi elementi rotolanti riduce efficacemente l'attrito e migliora l'efficienza operativa e la durata. Questa serie di cuscinetti utilizza processi di produzione in acciaio e avanzati di alta qualità per garantire prestazioni eccellenti e durata affidabile. Inoltre, la serie 30200 può fornire diverse opzioni di sigillatura e lubrificazione in base alle esigenze dei clienti per soddisfare i requisiti di specifici scenari di applicazione.

Invia richiesta

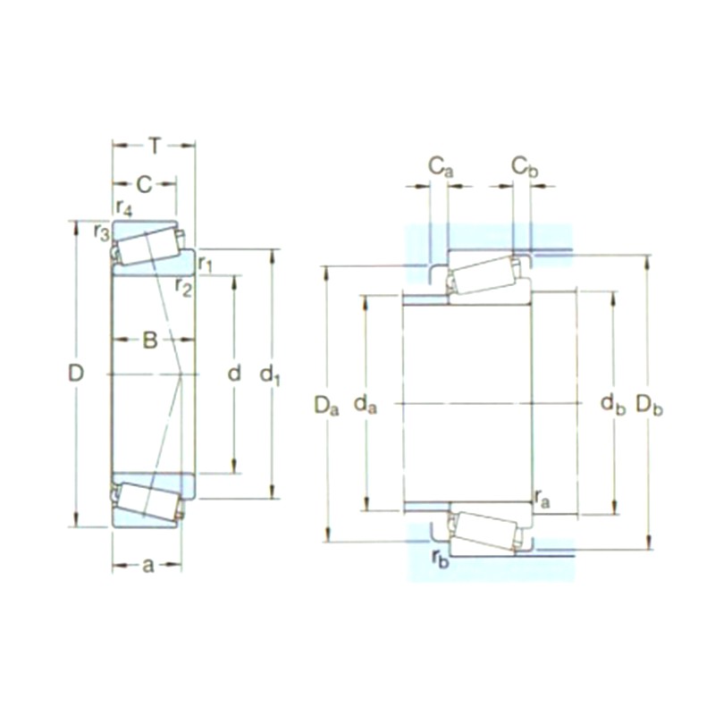
Parametri del prodotto

DesignUNzione Dimensioni principali (mm) Valutazioni Di carico di base (kN) Pu Valutazioni di velocità (giri / min) Peso (kg) ISO335 Dimensioni (mm) Dimensioni di abutment e filetto (mm) Valore
D1 D B DYC (CR) STC (Cor) Valutazioni della velocità Velocità limitante Dimensioni (ABMA) d D1 ~ B C R1,2 (min) R3,4 (min) a da (max) DB (min) Da (min) Da (max) DB (min) Ca (min) CB (min) RA (max) RB (max) e Y Yo
30203J2 17 40 13,25 19 18,6 1,83 13000 18000 0,075 2db 17 28 12 11 1 1 10 23 23 34 34 37 2 2 1 1 0,35 1,7 0,9
30204J2/Q. 20 47 15,25 32 28 3 12000 15000 0,12 2db 20 33,2 14 12 1 1 11 27 26 40 41 43 2 3 1 1 0,35 1,7 0,9
30205J2/Q. 25 52 16,25 35,5 33,5 3,45 11000 13000 0,15 3cc 25 37,4 15 13 1 1 12 31 31 44 46 48 2 3 1 1 0,37 1,6 0,9
302/28J2 28 58 17,25 38 41,5 4,4 9000 12000 0,25 - 28 41,8 16 14 1 1 13 35 34 50 52 54 2 3 1 1 0,37 1,6 0,9
30206J2/Q. 30 62 17,25 46,5 44 4,8 9000 11000 0,23 3db 30 44,6 16 14 1 1 14 38 36 53 56 57 2 3 1 1 0,37 1,6 0,9
30207J2/Q. 35 72 18,25 58,5 56 6,1 8000 9500 0,32 3db 35 51,8 17 15 1,5 1,5 15 44 42 62 65 67 3 3 1,5 1,5 0,37 1,6 0,9
30208J2/Q. 40 80 19,75 71 68 7,65 7000 8500 0,42 3db 40 57,5 18 16 1,5 1,5 16 49 47 69 73 74 3 3,5 1,5 1,5 0,37 1,6 0,9
30209J2/q 45 85 20,75 76,5 76,5 8,65 6300 8000 0,48 3db 45 63 19 16 1,5 1,5 18 54 52 74 78 80 3 4,5 1,5 1,5 0,4 1,5 0,8
30210j2/q 50 90 21,75 86,5 91,5 10,4 6000 7500 0,54 3db 50 67,9 20 17 1,5 1,5 19 58 57 79 83 85 3 4,5 1,5 1,5 0,43 1,4 0,8
30211j2/q 55 100 22,75 104 106 12 5300 6700 0,70 3db 55 74,6 21 18 2 1,5 20 64 64 88 93 94 4 4,5 2 1,5 0,4 1,5 0,8
30212J2/q 60 110 23,75 112 114 13,2 5000 6000 0,88 3EB 60 81,5 22 19 2 1,5 22 70 68 96 103 103 4 4,5 2 1,5 0,4 1,5 0,8
30213J2/q 65 120 24,75 132 134 16,3 4500 5600 1,15 3EB 65 89 23 20 2 1,5 23 78 74 106 113 113 4 4,5 2 1,5 0,4 1,5 0,8
30214j2/q 70 125 26,25 125 156 18 4000 5300 1,25 3EB 70 93,9 24 21 2 1,5 25 82 78 110 115 118 4 5 2 1,5 0,43 1,4 0,8
30215J2/q 75 130 27,25 140 176 20,4 3800 5000 1,40 4db 75 99,2 25 22 2 1,5 27 86 84 115 122 124 4 5 2 1,5 0,43 1,4 0,8
30216j2/q 80 140 28,25 151 183 21,2 3400 4800 1,60 3EB 80 105 26 22 2,5 2 28 92 90 124 130 132 4 6 2 2 0,43 1,4 0,8
30217J2/q 85 150 30,5 176 220 25,5 3200 4300 2,05 3EB 85 112 28 24 2,5 2 30 97 95 132 140 141 5 6,5 2 2 0,43 1,4 0,8
30218J2 90 160 32,5 194 245 28,5 3000 4000 2,55 3fb 90 118 30 26 2,5 2 31 104 101 140 150 150 5 6,5 2 2 0,43 1,4 0,8
30219J2 95 170 34,5 216 275 31,5 2800 3800 3,00 3fb 95 126 32 27 3 2,5 33 110 107 149 158 159 5 7,5 2,5 2 0,43 1,4 0,8
33020/q 100 150 39 224 390 41,5 3000 4000 2,40 2ce 100 122 39 32,5 2 1,5 29 109 108 135 142 143 7 6,5 2 1,5 0,3 2 1,1
30220J2 100 180 37 246 320 36 2800 3600 3,65 3fb 100 133 34 29 3 2,5 35 116 112 157 168 168 5 8 2,5 2 0,43 1,4 0,8
33021/q 105 160 43 246 430 45,5 2800 3800 3,05 2DE 105 131 43 34 2,5 2 31 117 116 145 150 153 7 9 2 2 0,28 2,1 1,1
30221J2 105 190 39 270 355 40 2600 3400 4,25 3fb 105 141 36 30 3 2,5 37 123 117 165 178 177 6 9 2,5 2 0,43 1,4 0,8
33022 110 170 47 281 500 53 2600 3600 3,85 2DE 110 139 47 37 2,5 2 34 123 121 152 160 161 7 10 2 2 0,28 2,1 1,1
30222J2 110 200 41 308 405 45 2400 3200 5,10 3fb 110 148 38 32 3 2,5 39 129 122 174 188 187 6 9 2,5 2 0,43 1,4 0,8
33024 120 180 48 292 540 56 2600 3400 4,20 2DE 120 149 48 38 2,5 2 36 132 131 160 170 171 6 10 2 2 0,3 2 1,1
30224J2 120 215 43,5 341 465 49 2200 3000 6,15 4fb 120 161 40 34 3 2,5 43 141 132 187 203 201 6 9,5 2,5 2 0,43 1,4 0,8
30226J2 130 230 43,75 369 490 53 2000 2800 7,60 4fb 130 173 40 34 4 3 45 152 146 203 216 217 7 9,5 3 2,5 0,43 1,4 0,8
30228J2 140 250 45,75 418 570 58,5 1900 2600 8,65 4fb 140 186 42 36 4 3 47 164 156 219 236 234 7 9,5 3 2,5 0,43 1,4 0,8
30230 150 270 49 429 560 57 1800 2400 11,0 4GB 150 200 45 38 4 3 50 175 166 234 256 250 9 11 3 2,5 0,43 1,4 0,8
30232J2 160 290 52 528 735 72 1600 2200 13,0 4GB 160 214 48 40 4 3 54 189 176 252 275 269 8 12 3 2,5 0,43 1,4 0,8
30234J2 170 310 57 616 865 83 1500 2000 19,0 4GB 170 230 52 43 5 4 58 203 190 268 293 288 8 14 4 3 0,43 1,4 0,8
30236J2 180 320 57 583 815 80 1500 2000 20,0 4GB 180 239 52 43 5 4 61 211 200 278 303 297 9 14 4 3 0,44 1,35 0,8
30238J2 190 340 60 721 1000 95 1400 1800 24,0 4GB 190 254 55 46 5 4 63 224 210 298 323 318 9 14 4 3 0,43 1,4 0,8
30240J2 200 360 64 792 1120 106 1300 1700 25,0 4GB 200 268 58 48 5 4 68 237 220 315 343 336 9 16 4 3 0,43 1,4 0,8
30244J2 220 400 72 990 1400 129 1200 1600 40,0 - 220 294 65 54 5 4 74 259 242 348 383 371 10 18 4 3 0,43 1,4 0,8

Informazioni su Yinin

Shanghai Yinin Cusciness and Transmission Company Fondata nel 2009, con oltre 20 anni di esperienza nel settore dei cuscinetti, siamo Cina Serie 30200 Cuscinetto a rulli affusolato Produttore E forniamo Prodotti personalizzati Serie 30200 Cuscinetto a rulli affusolato Fabbrica. Dal 1999, operiamo come agenti per i produttori cinesi di cuscinetti, esportando vari tipi di cuscinetti. Oggi siamo diventati un gruppo completo nel settore dei cuscinetti, integrando vendite e produzione.

Applicazioni industriali

I cuscinetti svolgono anche un ruolo molto importante nei macchinari agricoli. Vengono utilizzati...

I cuscinetti sono ampiamente utilizzati nelle automobili. Sono le principali parti di supporto e ...

Utilizzato per supporto, altezza, angolo, articolazione e parti rotanti di attrezzature mediche. ...

Utilizzato per supporto, rotazione, motori e parti del compressore degli elettrodomestici.

Utilizzato per la rotazione e il movimento del supporto e guidare parti delle apparecchiature di ...

Nelle strutture di costruzione, i cuscinetti possono essere utilizzati per collegare diversi comp...

Nel processo di produzione di alimenti e bevande, le pompe sono necessarie per trasportare liquid...

I cuscinetti sono utilizzati nei motori aeromobili e spaziali per supportare componenti rotanti c...

Informazioni sulle novità

Scopri di più

2026-03-26

Quali sono i vantaggi strutturali derivanti dall'utiliz...
Nell'ingegneria meccanica di alta precisione, la scelta tra componenti integrati e assiemi modulari spesso determina la stabilità finale del sistema. Per le applicazioni rotanti che richiedono...

2026-03-19

Perché il cuscinetto a sfere 6000 si surriscalda e in c...
Nel campo delle macchine rotanti di precisione, il 6000 cuscinetto a sfere è un componente onnipresente, favorito per la sua capacità di gestire carichi sia radiali che assiali in un ...

2026-03-12

Perché i cuscinetti a sfere a gola profonda in acciaio ...
Nell’ambiente ad alto rischio della produzione di alimenti e bevande, l’affidabilità meccanica e la sicurezza biologica sono inseparabili. La scelta di cuscinetti a sfere a gola profonda in acc...

Contattaci

SUBMIT

Consulenza tecnica

  • Shanghai Yinin Cusciness and Transmission Company

    Soluzioni personalizzate

  • Shanghai Yinin Cusciness and Transmission Company

    R&S continua

  • Shanghai Yinin Cusciness and Transmission Company

    Controllo qualità

  • Shanghai Yinin Cusciness and Transmission Company

    Supporto tecnico e formazione

  • Shanghai Yinin Cusciness and Transmission Company

    Risposta rapida

Se hai una consulenza tecnica o un feedback, ti ​​forniremo la risposta più professionale il prima possibile!

Contattaci