Serie 32300 Cuscinetto a rulli affusolato
Serie 32300 Cuscinetto a rulli affusolato
Serie 32300 Cuscinetto a rulli affusolato

Serie 32300

Il Cuscinetti a rulli conici serie 32300 sono cuscinetti scomponibili ad alta capacità progettati per gestire contemporaneamente carichi radiali e assiali significativi. Questa serie presenta una geometria interna ripida in cui gli angoli di contatto della pista interna (cono), della pista esterna (coppa) e dei rulli conici convergono in un apice comune sull'asse del cuscinetto. Questo design specifico garantisce un vero movimento di rotolamento e un basso attrito durante il funzionamento. Realizzata in acciaio cromato di elevata purezza, la serie 32300 è caratterizzata da una sezione trasversale più ampia e da un diametro del rullo maggiore rispetto alle serie standard, garantendo una maggiore capacità di carico e rigidità strutturale. Questi cuscinetti sono generalmente montati in coppia per ottenere un vincolo assiale bidirezionale, rendendoli componenti fondamentali nelle trasmissioni di potenza meccaniche per carichi pesanti e negli assiemi di veicoli.

Invia richiesta

Specifiche tecniche e profilo prestazionale: Cuscinetti a rulli conici serie 32300

Principali vantaggi tecnici

  • Gestione del carico combinato: Progettato per supportare la spinta di elevata ampiezza e le forze radiali attraverso l'ottimizzazione angoli di contatto rastremati .
  • Componenti separabili: Il gruppo tazza e cono (rulli e gabbia) sono montabili in modo indipendente, facilitando una più facile manutenzione e regolazione precisa del gioco .
  • Elevata stabilità dimensionale: Processi di trattamento termico specializzati garantiscono che il cuscinetto mantenga la sua struttura tolleranze geometriche in condizioni termiche variabili.
  • Basso attrito operativo: Le piste rettificate di precisione riducono al minimo la rugosità superficiale, riducendo la coppia e l'accumulo di calore durante rotazione ad alta velocità .

Caratteristiche Tecniche

Specifica del materiale Acciaio per cuscinetti al cromo ad alto tenore di carbonio GCr15
Materiale della gabbia Acciaio stampato/ottone lavorato (a seconda dell'applicazione)
Grado di precisione P0 (Normale), P6, P5
Tipo di caricamento Unidirezionale Assiale Alto Radiale
Intervallo di temperatura Da -30°C a 120°C (lubrificazione standard)

Scenari applicativi primari

  • Propulsori automobilistici: Mozzi delle ruote per camion pesanti, differenziali e sistemi di trasmissione.
  • Macchinari industriali: Componenti primari dentro riduttori del cambio , laminatoi e attrezzature minerarie.
  • Attrezzatura da costruzione: Integrato nei gruppi di trasmissione finale di escavatori e bulldozer che lo richiedono resistenza al carico d'urto .
  • Ingegneria Agraria: Punti di articolazione e alberi di trasmissione sottoposti a sollecitazioni elevate in trattori e macchine da raccolta.

Protocolli di installazione e manutenzione

Stoccaggio e movimentazione

I cuscinetti devono essere conservati in un ambiente pulito e asciutto con a temperatura costante per evitare la formazione di condensa. Lo strato protettivo originale di grasso deve rimanere integro; non rimuovere il imballaggio antiruggine fino al momento dell'installazione. Evitare l'impilamento verticale oltre le altezze specificate per evitare deformazione ellittica degli anelli.

Precauzioni per l'uso

  • Regolazione del gioco assiale: Durante l'assemblaggio, il gioco finale o precarico deve essere impostato accuratamente secondo le specifiche del produttore per evitare affaticamento prematuro o surriscaldamento.
  • Controllo della contaminazione: Assicurarsi che l'alloggiamento e l'albero siano privi di particelle abrasive; utilizzare guarnizioni compatibili per mantenere la purezza del lubrificante in ambienti esterni o polverosi.
  • Selezione della lubrificazione: Utilizzare Additivi per pressioni estreme (EP). nei grassi per applicazioni che comportano carichi d'urto pesanti per mantenere un film d'olio sufficiente tra i rulli e le piste.
  • Verifica dell'allineamento: Garantire concentricità albero-alloggiamento rientra nei limiti specificati per evitare il carico sui bordi dei rulli conici.

Parametri del prodotto

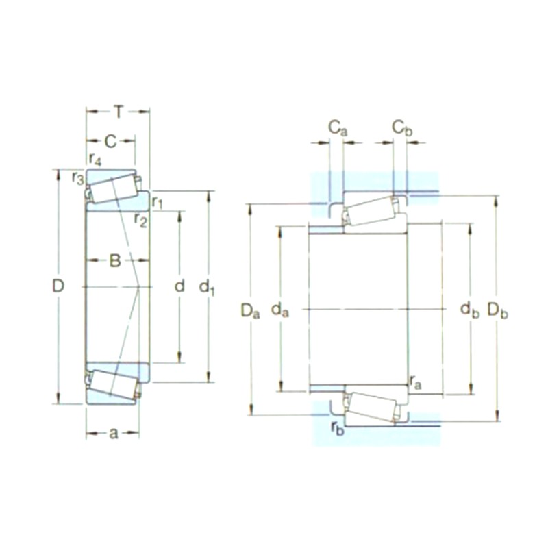
Designunzione Dimensioni principali(mm) Valori di carico di base (KN) Pu Indici di velocità (rpm) Peso(Kg) ISO335 Dimensioni (mm) Dimensioni del moncone e del raccordo (mm) Valore
d1 D B dic(Cr) stc(Cor) Indici di velocità Limitare la velocità Dimensioni (ABMA) d d1~ B C r1,2(min) r3,4(min) a da(massimo) db(min) Da(min) Da(massimo) DB(min) Ca(minuto) Cb(min) ra(massimo) RB(massimo) e Y Ehi
32303J2/Q 17 47 20,25 40 33,5 3,65 12000 16000 0,17 2FD 17 30,7 19 16 1 1 12 24 23 39 41 43 3 4 1 1 0,28 2,1 1,1
32304J2/Q 20 52 22,25 51 45,5 5 12000 14000 0,23 2FD 20 34,5 21 18 1,5 1,5 14 27 27 43 45 47 3 4 1,5 1,5 0,3 2 1,1
32305J2 25 62 25,25 60,5 63 7,1 8000 12000 0,36 2FD 25 41,7 24 20 1,5 1,5 15 33 32 52 55 57 3 5 1,5 1,5 0,3 2 1,1
32306J2/Q 30 72 28,75 88 85 9,65 7500 10000 0,55 2FD 30 48,7 27 23 1,5 1,5 18 39 37 59 65 66 3 5,5 1,5 1,5 0,31 1,9 1,1
32307J2/Q 35 80 32,75 95,2 106 12,2 6700 9000 0,73 2FE 35 54,8 31 25 2 1,5 20 44 44 66 71 74 4 7,5 2 1,5 0,31 1,9 1,1
32307BJ2/Q 35 80 32,75 93,5 114 13,2 6300 8500 0,80 5FE 35 59,3 31 25 2 1,5 24 42 44 61 71 76 4 7,5 2 1,5 0,54 1,1 0,6
32307/37BJ2/Q 37 80 32,75 93,5 114 13,2 6300 8500 0,85 - 37 54,8 31 25 2 1,5 20 44 44 66 71 74 4 7,5 2 1,5 0,54 1,1 0,6
32308J2/Q 40 90 35,25 117 140 16 5300 8000 1,00 2FD 40 62,9 33 27 2 1,5 23 51 49 73 81 82 3 8 2 1,5 0,35 1,7 0,9
32309J2/Q 45 100 38,25 140 170 20,4 4800 7000 1,35 2FD 45 70,4 36 30 2 1,5 25 57 53 82 91 93 4 8 2 1,5 0,35 1,7 0,9
32309BJ2/QCL7C 45 100 38,25 156 176 20 5000 6700 1,45 5FD 45 74,8 36 30 2 1,5 30 55 53 76 91 94 5 8 2 1,5 0,54 1,1 0,6
32310J2/Q 50 110 42,25 172 212 24 4300 6300 1,80 2FD 50 77,7 40 33 2,5 2 27 63 60 90 100 102 5 9 2 2 0,35 1,7 0,9
32310TN9 50 110 42,25 172 212 24 4300 6300 1,80 2FD 50 77,7 40 33 2,5 2 27 63 60 90 100 102 5 9 2 2 0,35 1,7 0,9
32310BJ2/QCL7C 50 110 42,25 183 216 24,5 4500 6000 1,85 5FD 50 82,9 40 33 2,5 2 34 62 60 83 100 103 5 9 2 2 0,54 1,1 0,6
32311J2 55 120 45,5 198 250 28,5 4000 5600 2,30 2FD 55 84,6 43 35 2,5 2 29 68 65 99 112 111 5 10,5 2 2 0,35 1,7 0,9
32311BJ2/QCL7C 55 120 45,5 216 260 30 4300 5600 2,50 5FD 55 90,5 43 35 2,5 2 36 67 65 91 112 112 5 10,5 2 2 0,54 1,1 0,6
32312J2/Q 60 130 48,5 229 290 34 3600 5300 2,85 2FD 60 91,7 46 37 3 2,5 31 74 72 107 118 120 6 11,5 2,5 2 0,35 1,7 0,9
32312BJ2/QCL7C 60 130 48,5 255 305 35,5 3800 5000 2,80 5FD 60 98,1 46 37 3 2,5 38 73 72 99 118 122 6 11,5 2,5 2 0,54 1,1 0,6
32313J2/Q 65 140 51 264 335 40 3400 4800 3,45 2GD 65 99,2 48 39 3 2,5 33 80 77 117 128 130 6 12 2,5 2 0,35 1,7 0,9
32313BJ2/QU4CL7CVQ267 65 140 51 285 345 40,5 3600 4800 3,35 5GD 65 105 48 39 3 2,5 41 79 77 107 128 131 6 12 2,5 2 0,54 1,1 0,6
32314J2/Q 70 150 54 297 380 45 3200 4500 4,30 2GD 70 106 51 42 3 2,5 36 86 82 125 138 140 6 12 2,5 2 0,35 1,7 0,9
32314BJ2/QCL7C 70 150 54 325 400 46,5 3400 4300 4,25 5GD 70 113 51 42 3 2,5 44 85 82 115 138 141 7 12 2,5 2 0,54 1,1 0,6
32315J2 75 160 58 336 440 51 3000 4300 5,20 2GD 75 113 55 45 3 2,5 38 92 87 133 148 149 7 13 2,5 2 0,35 1,7 0,9
32315BJ2/QCL7C 75 160 58 380 475 55 3200 4000 5,55 5GD 75 120 55 45 3 2,5 46 90 87 124 148 151 7 13 2,5 2 0,54 1,1 0,6
32316J2 80 170 61,5 380 500 57 3000 4300 6,20 2GD 80 120 58 48 3 2,5 41 98 92 142 158 159 7 13,5 2,5 2 0,35 1,7 0,9
32317J2 85 180 63,5 402 530 60 2800 4000 6,85 2GD 85 126 60 49 4 3 42 103 99 150 166 167 7 14,5 3 2,5 0,35 1,7 0,9
32317BJ2 85 180 63,5 391 560 62 2800 4000 7,50 5GD 85 135 60 49 4 3 52 102 99 138 166 169 7 14,5 3 2,5 0,54 1,1 0,6
32318J2 90 190 67,5 457 610 67 2600 4000 8,40 2GD 90 133 64 53 4 3 44 109 105 157 176 177 7 14,5 3 2,5 0,35 1,7 0,9
32319J2 95 200 71,5 501 670 72 2400 3400 11,0 2GD 95 141 67 55 4 3 47 115 110 166 186 186 8 16,5 3 2,5 0,35 1,7 0,9
32320J2 100 215 77,5 572 780 83 2200 3000 12,5 2GD 100 151 73 60 4 3 51 123 115 177 201 200 8 17,5 3 2,5 0,35 1,7 0,9
32321J2 105 225 81,5 605 815 85 2000 3000 14,5 2GD 105 158 77 63 4 3 53 129 120 185 211 209 9 18,5 3 2,5 0,35 1,7 0,9
32322 110 240 84,5 627 830 86,5 1900 2800 17,0 2GD 110 168 80 65 4 3 55 137 125 198 226 222 9 19,5 3 2,5 0,35 1,7 0,9
32324J2 120 260 90,5 792 1120 110 1800 2600 21,5 2GD 120 181 86 69 4 3 60 148 135 213 245 239 9 21,5 3 2,5 0,35 1,7 0,9

Informazioni su Yinin

Shanghai Yinin Cusciness and Transmission Company Fondata nel 2009, con oltre 20 anni di esperienza nel settore dei cuscinetti, siamo Cina Serie 32300 Cuscinetto a rulli affusolato Produttore E forniamo Prodotti personalizzati Serie 32300 Cuscinetto a rulli affusolato Fabbrica. Dal 1999, operiamo come agenti per i produttori cinesi di cuscinetti, esportando vari tipi di cuscinetti. Oggi siamo diventati un gruppo completo nel settore dei cuscinetti, integrando vendite e produzione.

Applicazioni industriali

I cuscinetti svolgono anche un ruolo molto importante nei macchinari agricoli. Vengono utilizzati...

I cuscinetti sono ampiamente utilizzati nelle automobili. Sono le principali parti di supporto e ...

Utilizzato per supporto, altezza, angolo, articolazione e parti rotanti di attrezzature mediche. ...

Utilizzato per supporto, rotazione, motori e parti del compressore degli elettrodomestici.

Utilizzato per la rotazione e il movimento del supporto e guidare parti delle apparecchiature di ...

Nelle strutture di costruzione, i cuscinetti possono essere utilizzati per collegare diversi comp...

Nel processo di produzione di alimenti e bevande, le pompe sono necessarie per trasportare liquid...

I cuscinetti sono utilizzati nei motori aeromobili e spaziali per supportare componenti rotanti c...

Informazioni sulle novità

Scopri di più

2026-04-30

Stainless Steel Bearings: Rust, Machining & Ceramic Com...
Cuscinetti in acciaio inossidabile sono tra i materiali per cuscinetti più utilizzati nei prodotti industriali e di consumo. Offrono una buona resistenza alla corrosione nella maggior parte d...

2026-04-23

Strategie ingegneristiche per ottimizzare la durata uti...
La Shanghai Yinin Bearing & Transmission Company, fondata come impresa integrata nel settore industriale e commerciale dal 2016, è specializzata nella progettazione e produzione complete di compone...

2026-04-15

Come selezionare il giusto gioco interno per un cuscine...
L'impatto delle velocità di rotazione elevate sul gioco dei cuscinetti Forza centrifuga e dilatazione termica : Nelle applicazioni ad alta velocità, l'anello interno di un ...

Contattaci

SUBMIT

Consulenza tecnica

  • Shanghai Yinin Cusciness and Transmission Company

    Soluzioni personalizzate

  • Shanghai Yinin Cusciness and Transmission Company

    R&S continua

  • Shanghai Yinin Cusciness and Transmission Company

    Controllo qualità

  • Shanghai Yinin Cusciness and Transmission Company

    Supporto tecnico e formazione

  • Shanghai Yinin Cusciness and Transmission Company

    Risposta rapida

Se hai una consulenza tecnica o un feedback, ti ​​forniremo la risposta più professionale il prima possibile!

Contattaci