Serie 51200 Cuscinetto a sfera di spinta
Serie 51200 Cuscinetto a sfera di spinta
Serie 51200 Cuscinetto a sfera di spinta

Serie 51200

Il cuscinetto a sfera di spinta della serie 51200 è un cuscinetto rotolante appositamente progettato per sopportare il carico assiale. Di solito è costituito da una o più sfere e due razze portanti. Questo tipo di cuscinetto viene utilizzato principalmente nelle applicazioni che devono resistere a grandi forze assiali, come apparecchiature meccaniche, automobili, aerospaziale e altri campi. Le sfere della serie 51200 sono realizzate con materiali ad alta resistenza, che hanno una buona resistenza all'usura e resistenza alla compressione e possono mantenere prestazioni stabili durante il funzionamento ad alta velocità. Ha una struttura compatta ed è facile da installare, rendendolo adatto per l'uso in spazi limitati. A causa delle sue prestazioni e affidabilità superiori, i cuscinetti a sfera di spinta della serie 51200 sono ampiamente utilizzati nella produzione industriale e nei macchinari giornalieri.

Invia richiesta

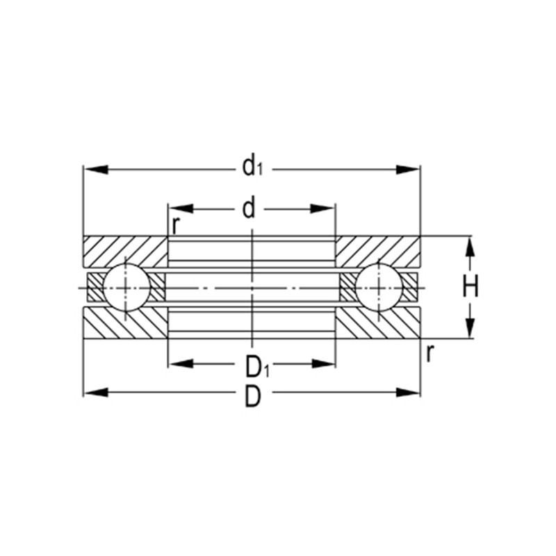
Parametri del prodotto

Designazione Dimensioni principali (mm) Valutazioni Di carico di base (KN) Velocità limitata (RPM) Peso
d D T Dinamico (CR) Statico (cor) Grasso Olio (kg)
51203 17 35 12 17 27.2 4500 6300 0.048
51204 20 40 14 22.2 37.5 3800 5300 0.075
51205 25 47 15 27.8 50.5 3400 4800 0.11
51206 30 52 16 28 54.2 3200 4500 0.13
51207 35 62 18 39.2 78.2 2800 4000 0.21
51208 40 68 19 47 98.2 2400 3600 0.26
51209 45 73 20 47.8 105 2200 3400 0.3
51210 50 78 22 48.5 112 2000 3200 0.37
51211 55 90 25 67.5 158 1900 3000 0.58
51212 60 95 26 73.5 178 1800 2800 0.66
51213 65 100 27 74.8 188 1700 2600 0.72
51214 70 105 27 73.5 188 1600 2400 0.75
51215 75 110 27 74.8 198 1500 2200 0.82
51216 80 115 28 83.8 222 1400 2000 0.9
51217 85 125 31 102 280 1300 1900 1.21
51218 90 135 35 115 315 1200 1800 1.65
51220 100 150 38 132 375 1100 1700 2.21
51222 110 160 38 138 412 1000 1600 2.39

Informazioni su Yinin

Shanghai Yinin Cusciness and Transmission Company Fondata nel 2009, con oltre 20 anni di esperienza nel settore dei cuscinetti, siamo Cina Serie 51200 Cuscinetto a sfera di spinta Produttore E forniamo Prodotti personalizzati Serie 51200 Cuscinetto a sfera di spinta Fabbrica. Dal 1999, operiamo come agenti per i produttori cinesi di cuscinetti, esportando vari tipi di cuscinetti. Oggi siamo diventati un gruppo completo nel settore dei cuscinetti, integrando vendite e produzione.

Applicazioni industriali

I cuscinetti svolgono anche un ruolo molto importante nei macchinari agricoli. Vengono utilizzati...

I cuscinetti sono ampiamente utilizzati nelle automobili. Sono le principali parti di supporto e ...

Utilizzato per supporto, altezza, angolo, articolazione e parti rotanti di attrezzature mediche. ...

Utilizzato per supporto, rotazione, motori e parti del compressore degli elettrodomestici.

Utilizzato per la rotazione e il movimento del supporto e guidare parti delle apparecchiature di ...

Nelle strutture di costruzione, i cuscinetti possono essere utilizzati per collegare diversi comp...

Nel processo di produzione di alimenti e bevande, le pompe sono necessarie per trasportare liquid...

I cuscinetti sono utilizzati nei motori aeromobili e spaziali per supportare componenti rotanti c...

Informazioni sulle novità

Scopri di più

2026-04-30

Stainless Steel Bearings: Rust, Machining & Ceramic Com...
Cuscinetti in acciaio inossidabile sono tra i materiali per cuscinetti più utilizzati nei prodotti industriali e di consumo. Offrono una buona resistenza alla corrosione nella maggior parte d...

2026-04-23

Strategie ingegneristiche per ottimizzare la durata uti...
La Shanghai Yinin Bearing & Transmission Company, fondata come impresa integrata nel settore industriale e commerciale dal 2016, è specializzata nella progettazione e produzione complete di compone...

2026-04-15

Come selezionare il giusto gioco interno per un cuscine...
L'impatto delle velocità di rotazione elevate sul gioco dei cuscinetti Forza centrifuga e dilatazione termica : Nelle applicazioni ad alta velocità, l'anello interno di un ...

Contattaci

SUBMIT

Consulenza tecnica

  • Shanghai Yinin Cusciness and Transmission Company

    Soluzioni personalizzate

  • Shanghai Yinin Cusciness and Transmission Company

    R&S continua

  • Shanghai Yinin Cusciness and Transmission Company

    Controllo qualità

  • Shanghai Yinin Cusciness and Transmission Company

    Supporto tecnico e formazione

  • Shanghai Yinin Cusciness and Transmission Company

    Risposta rapida

Se hai una consulenza tecnica o un feedback, ti ​​forniremo la risposta più professionale il prima possibile!

Contattaci